都说小学教育是整个教育事业的基础,从人生发展历程来看,小学阶段是孩子打基础,也是长身体、长知识最旺盛的时期。学校环境的舒适性对于学生而言是必不可少的。
拉萨属于高寒地区,冬季较为寒冷。但在那样一个高海拔地区,因为路途遥远、财力有限等因素,长期以来,当地学校一直没有进行规模化、集中化的清洁供暖。
几年前,拉萨地区克服严寒的燃料主要不是煤炭和天然气,而是牛粪,每年假期,当地学校老师都会组织学生们一起捡牛粪,这是常年不变的一项“课外活动”。然而一到冬季,学校还是无可避免地面临着如何让学生在冬季“不吸鼻涕,手不红肿,身体不畏缩”的难题。

(晒干后的牛粪)
项目概况
本项目位于山南市贡嘎县森布日村,距离拉萨市比较近,因此设计数据参考拉萨市。
拉萨市地处喜马拉雅山脉北侧,受下沉气流的影响,全年多晴朗天气,降雨稀少,冬无严寒,夏无酷暑,属高原山地气候。
其中,历史最高气温29.6摄氏度,最低气温零下16.5摄氏度,年平均气温7.4摄氏度。降雨量集中在6、7、8、9月份全年日照时间3000小时以上,素有“日光城”的美誉。而且太阳辐射强,空气稀薄,气温偏低,昼夜温差较大,冬春寒冷干燥且多风。
此外,年无霜期100~120天,年降水量为200-510毫米,雨季集中在6-9月份,多夜雨。
需求分析

森布日小学建筑共4层,建筑面积3390㎡,采暖区域为76个宿舍、8个公共卫生间、8个洗衣间,总采暖面积约2400㎡,宿舍设计热负荷指标为60W/㎡,设计热负荷144kW。
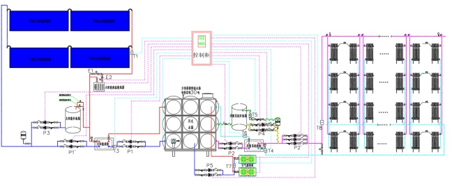
考虑到项目地光照条件充足、昼夜温差大的特点,本案设备选用平板太阳能集热器+超低温空气源热泵耦合的低碳清洁能源综合解决方案。

解决方案
经过四季沐歌团队现场的不断调试与方案调整,最终采用了一套节省耗能、清洁干净、居住舒适的采暖方案。
本项目供暖系统采用太阳能结合空气源热泵作为热源,配置高效大平板式太阳能集热器300平方米,系统配置有效容积24m³的集热水箱一座,白天通过太阳能将水箱加热,夜晚使用,当水箱温度降低时,无法满足供暖需求时,开启空气源热泵,作为辅助热源,系统配置两台25P超低温空气源热泵作为辅助热源,单台制热量80kW(运行工况7℃),另外配置1台50kW管道式电加热器保证极端气候下的采暖需求。

考虑到末端为暖气片,为提高采暖系统供水温度,空气能、电加热并没有和保温水箱连接,而是直接接到采暖系统上,做成一次系统,以降低系统能耗,提升供水温度。同时也降低系统能耗。
产品特点

高效大平板太阳能集热器是一种集成的平板集热器,其基本原理及工作方式和普通平板集热器相同,但通过集成,一块集热器可以相当于5-8片普通平板集热器,大大减少了安装和连接头,提高了系统质量并减低安装成本。
集热器年平均集热效率70%,地区太阳能保证率50%,热损系数0.2,设计热水温度:60°C,冷水设计温度:7°C。年平均日太阳能辐照量25.025MJ/㎡,全地区全年日照时间为2600-3300小时,年平均气温最低为6℃,最高8.8℃。
产品参数

效率曲线
高效大平板集热器的瞬时集热效率达到84.9%!

众所周知,四季沐歌在优化大型集热器领域有多年的经验优势。在太阳能领域布局的挑战中,四季沐歌集热器具有很强的多样性,它可以通过不同的管径调节流量以满足不同排布集热器阵列。当温度低于85℃的系统与四季沐歌集热器结合使用时可以产生最大价值,因为它在每一排最前面作为预热系统的效率很高,特别适用于采暖系统,系统出口温度可以达到95℃以上。
除此之外,四季沐歌集热器可靠性强,承压能力高,设计压力10bar,试验压力16bar,保证系统的高可靠性,集热器效率高,空晒温度可以达到200℃以上。
四季沐歌用超过220,000㎡的安装面积证明了其较高的性价比、使用寿命和效率,最大化为客户寻求利益。
运行效果
西藏森布日小学供暖项目以高效大平板太阳能集热器作为主要热源,以空气源热泵作为辅助热源,另外配置1台50kW管道式电加热器保证极端气候下的采暖需求。
该系统将太阳能与空气能、电加热相耦合,在保证整套系统采暖稳定性的同时,实现了运行费用的最低。整个采暖季低至3.35元/㎡,这是其他单一能源系统无法比拟的。
该项目采暖季各种能源运行费用对比图(理论运行费用):


该项目能源方案除了节能高效是一方面,对于学校而言,优先考虑的肯定是安全、稳定和可靠,而四季沐歌热能技术公司作为成熟的“低碳清洁能源综合服务商”,在多能源耦合领域更是有着多年、多项经典案例的技术经验沉淀,有能力为学校安全采暖提供保障。


以前一到冬季,学生们都会把手牢牢黏在衣服口袋里,写字颤颤巍巍,嘴里哈出一口口白气,自四季沐歌整套能源系统方案运行后,森布日小学的学生沐浴时牙齿不再颤颤巍巍打架,睡觉时身体不再蜷缩着双腿夹着双手,早起时的低温再也没像风一样灌进身体。
国家领导人曾说,让人民生活幸福是“国之大者”,四季沐歌多年来一直积极响应国家号召,坚持履行作为“低碳清洁能源综合服务商”的使命。如今,四季沐歌“双碳”技术研究中心正式成立,从2012年达成满足建筑级综合能源解决方案,到2018年实现满足园区级能源规划需求,四季沐歌始终秉承“零碳供热,多能互补;供储结合,分布应用;需求耦合,效率优先”的原则,围绕太阳能光热产业纵深发展。随着“双碳”技术研究中心的成立,未来,四季沐歌将在综合能源解决方案领域实现再次升级,达成满足城市级多能互补耦合供热系统需求的全新目标,努力打造更多惠民工程,坚持传播企业正能量,四季沐歌自始至终一直在前进。







官方公众号
官方小程序