产品描述:
HRLE系列海水淡化膜元件采用世界先进的复合膜涂布技术,改善膜片表面的亲水性、荷电性提高产水量同时具有高脱盐率、低能耗的特点,有效为客户降低投资成本和运行费用。采用34mil宽进水流道设计,降低压力损失,有效减少污染物在网格上的堆积,进一步增强膜元件的抗污染性和清洗恢复性。
主要应用于海水淡化、含有高浓度盐的废水回用与零排放处理、物料浓缩等领域。
产品优势:
1. 高脱盐率和低能耗的平衡。
2. 底压损,低能耗,投资和运行成本低,经济效益好。
3. 杰出的耐用性可保证稳定的长期性能。

1. 标准测试条件:32000ppmNaCl溶液,800psi(55bar),温度25℃,pH=8,回收率8%。
2. 单支膜元件的产水量可能在±15%的范围内变化。
3. 稳定脱盐率通常在连续运行24h内到达,取决于进水特点和操作条件。
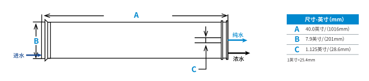
产品尺寸:

其它重要信息:
使用或存放,启动参考恩泰产品保存与安装维护指南。
监管说明:
本产品可能在一些国家受到饮用水应用限制;请在使用和销售前检查应用状况。







企业资料通过认证


官方公众号
官方小程序
发表用户评论,可得5积分,积分可兑换“100元天猫卡”等实物好礼;更有机会成为“星级评价官”,享受专属权益,快来积极参与吧!
共0条