商品属性
订货号XZT065-L1一级
加工定制是
货号XZT065-L1一级
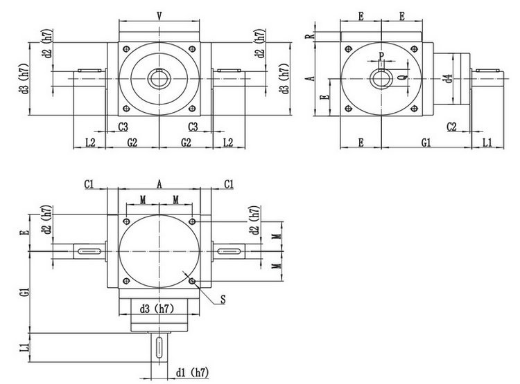
类别行星减速机
齿轮类型其他
安装形式立式
布局形式同轴式
齿面硬度硬齿面
用途减速机
品牌新立盈
型号XZT065-L1一级
输入转速4000
额定功率3~100
输出转速范围4000~6000
许用扭矩1000
使用范围自动化设备
级数单级
减速比1
规格XZTF065-L1-1,XZTF075-L1-1,XZTF090-L1-1,XZTF110-F1-1,XZTF140-L1-1,XZTF170-L1-1,XZTF210-L1-1
是否跨境出口专供货源否





























.......................................................................






官方公众号
官方小程序