












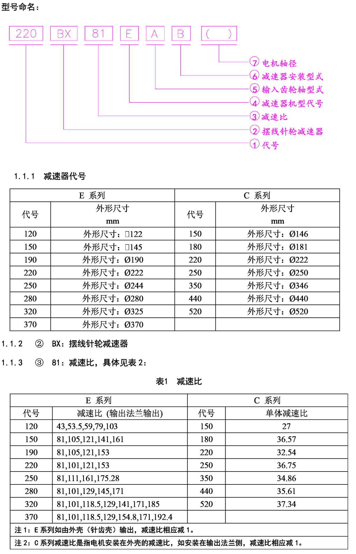
RV减速机是蜗轮蜗杆减速机家族中比较常见的减速机之一,它由蜗杆和蜗轮组成,具有结构紧凑,传动比大,以及在一定条件下具有自锁功能的传动机械,是最常用的减速机之一而且振动小,噪音低,能耗低。






深圳市新立盈机电有限公司是一家专业从事行星减速机、中空轴法兰旋转型减速机、直角行星减速机、RV减速机、 中空旋转平台 DD马达的销售、服务于一体的机电自动化企业。公司产品以其独特的差异化和高性价比优势,成为国内行星减速机的优质供应商。产品广泛应用于工业机器人、数控装备、工作母机、医疗器械、办公设备等工业和民用自动化几十个领域。公司本着客户为本的理念,高起点参与市场竞争以“创新、卓越、和谐、共赢”为核心价值观,秉承诚实,专精,负责,创新的经营理念,以客户满意为品质的最高基准,努力达成和客户的每一次合作,共同成长!目前,公司产品销往全国80多个地区,远销阿拉伯、印尼等部分国外市场。
公司以“创新、卓越、和谐、共赢”为核心价值观,努力塑造先进的企业文化凝聚团队力量;以产品经营向资本经营转变为契机,构建社会、企业、员工利益共同体;加快产业转型升级和国际化发展步伐,为实现自动化的无限可能愿景,壮大民族工业而奋斗。




官方公众号
官方小程序