商品属性
品牌RCWL
防护功能防潮
电气寿命10000次
应用范围路灯
导电体材质铜镀锡
外壳材质ABS
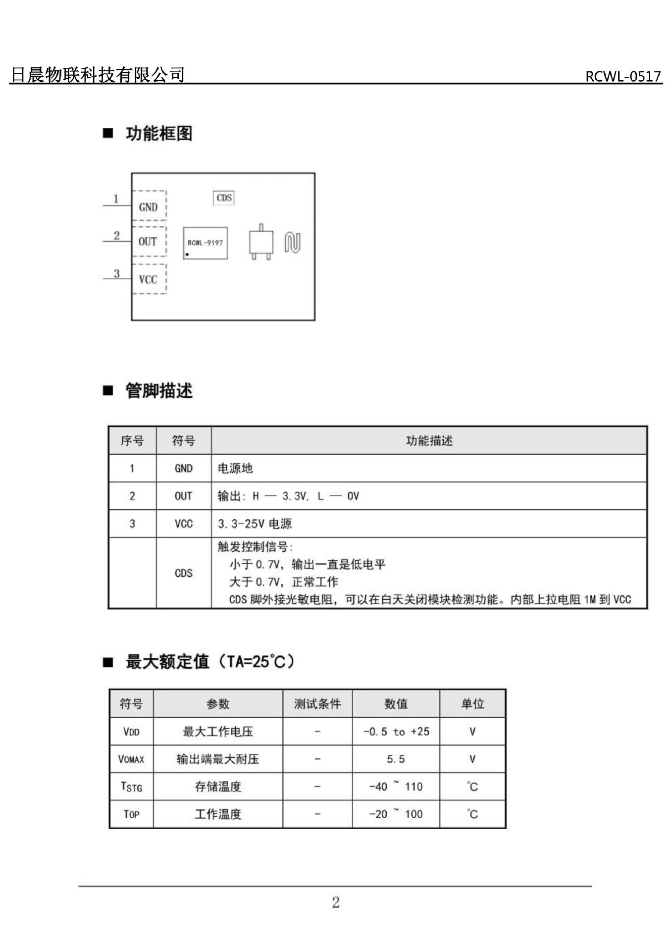
接线方式端子插入
产品认证ROHS
机械寿命2万次
质保1年
防护等级IP20
延时时间5S
感应方式微波雷达+光感
是否专供外贸否
产品系列RCWL-0517
3C额定电压范围50V以下
我司专业生产、研发微波雷达模块,可定制各种方案,欢迎来电咨询、洽谈!
RCWL-0517微波传感器是一款高灵敏度,远距离,抗干扰强最新产品,体积小薄,容易安装。
规格:长24*款17厚2.63mm
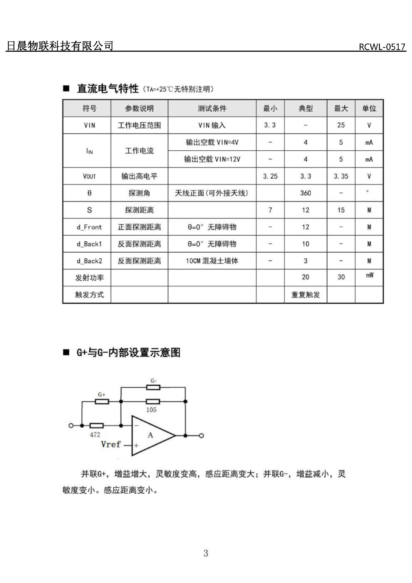
使用频率:2.7G
电压:3.3-25V











官方公众号
官方小程序