




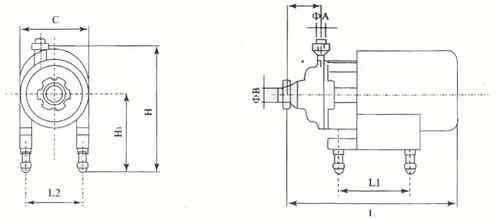
型 号 | 流量 (T/小时) | (米) | 电机 功率 | 进出 口径 | 外形尺寸 (长×宽×高) | 高度 |
BAW-3-15 S | 3 | 15 | 0.75 | 38/32 | 480×200×345 | 200 |
BAW-3-24 S | 3 | 24 | 1.1 | 38/32 | 480×200×345 | 200 |
BAW-5-24 S | 5 | 24 | 1.5 | 51/38 | 496×250×370 | 215 |
BAW-5-36 S | 5 | 36 | 2.2 | 51/38 | 496×250×370 | 225 |
BAW-10-24 S | 10 | 24 | 2.2 | 51/38 | 515×275×380 | 225 |
BAW-10-36 S | 10 | 36 | 3 | 51/38 | 515×275×380 | 245 |
BAW-15-24 S | 15 | 24 | 3 | 51/51 | 600×300×415 | 245 |
BAW-15-36 S | 15 | 36 | 4 | 51/51 | 600×300×415 | 245 |
BAW-20-24 S | 20 | 24 | 4 | 63/51 | 600×300×415 | 245 |
BAW-20-36 S | 20 | 36 | 5.5 | 63/51 | 700×320×425 | 265 |
BAW-30-24 S | 30 | 24 | 5.5 | 63/63 | 700×320×425 | 265 |
BAW-30-36 S | 30 | 36 | 7.5 | 63/63 | 700×320×425 | 265 |
BAW-40-24 S | 40 | 24 | 7.5 | 76/63 | 780×350×435 | 265 |
BAW-40-36 S | 40 | 36 | 11 | 76/63 | 820×380×445 | 265 |
BAW-50-40 S | 50 | 40 | 11 | 80/65 | - | - |
BAW-80-30 S | 80 | 30 | 15 | 100/100 | - | - |
BAW-80-40 S | 80 | 40 | 18.5 | 100/100 | - | - |






官方公众号
官方小程序