1.5kw长轴高温电机
关于耐高温度
机身可耐180℃,轴(材质铁)可耐350℃,轴(材质不锈钢)最高可耐500°
关于尺寸
高温马达为定制产品,如需订购需要确定马达轴长、轴径、安装方式,请联系客户帮助选择。
关于货期
因每一款尺寸都是根据您的使用而定制的,请耐心等待。所有美好的事物都值得等待!
关于价格
以上价格含运不含税,含税需加13%
SOP作为专业的耐高温长轴马达制造商,我们为全国商家提供稳定的高质量的耐高温长轴马达供应,同时提供全面的信息咨询服务,欢迎您咨询客服为您解答!
更多其他功率:40w、60w、90w、120w、180w、300w、370w、450w、750w、1.1kw、2.2kw及马达配件风轮请点以下图片跳转:
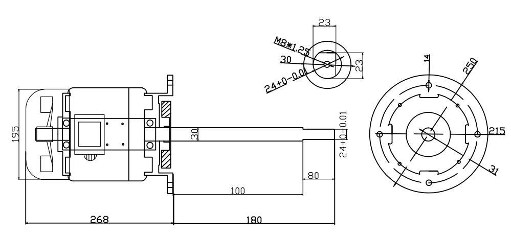
1.5kw长轴高温电机尺寸图(仅供参考,请联系客服确定参数尺寸!)












官方公众号
官方小程序