商品属性
产地东莞
是否进口否
订货号SOP180w
品牌SOP
货号SOP180w
产品类型三相异步电动机
型号SOP180w
极数4极
额定功率180w
额定电压380
额定转速1450
产品认证ce
应用范围烘烤箱
3C额定电压范围直流36V及以上,1500V以下
是否跨境出口专供货源否



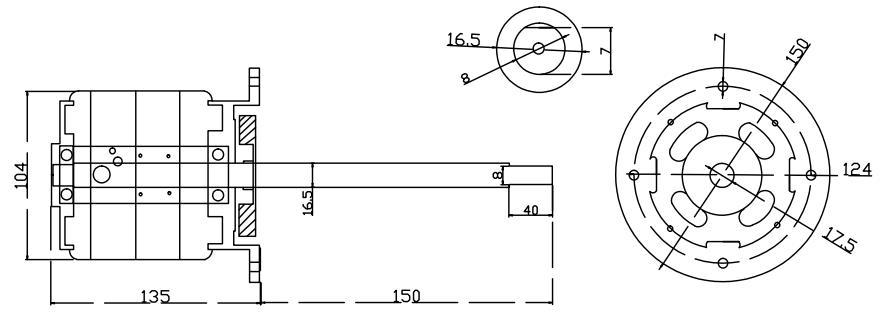
180w尺寸(具体尺寸请咨询客服)










官方公众号
官方小程序