SOP通用LWH拉杆系列直线位移传感器用于对位移或者长度进行测量。测量行程75mm~1250mm,两端均有4mm返冲行程,线性精度0.15%~0.04%FS,重复0.01mm。传感器的结构设计保证安装方便,牢固可靠。外壳进行了阳极处理,外观靓丽,抗腐蚀,内置导电塑料测量单元,无温漂,寿命长,保证运行顺滑。密封防护等级IP67,DIN43650镀银插座,适用范围广信号传输更稳定,拉杆球具有0.5mm自动对中功能,输出稳定,一致性好。允许极限运动为10m/s。产品采用国外进口的专用线性修刻系统,电阻修刻技术不仅可以满足您的线性度要求,而且可以根据客户的要求修刻电阻值的大小。
电刷架结构均采用弹性补偿结构,运行稳定可靠,延长使用寿命。
LWH拉杆系列直线位移传感器产品特性:
1. 使用寿命长,运行次数可达50X10次
2. 线性优异
3. 分辨率高于0.01mm
4. 运行速度
5. DIN43650标准插头和插座
6. 防护等级IP65
7. 可配置电压电流(2线、3线)模块
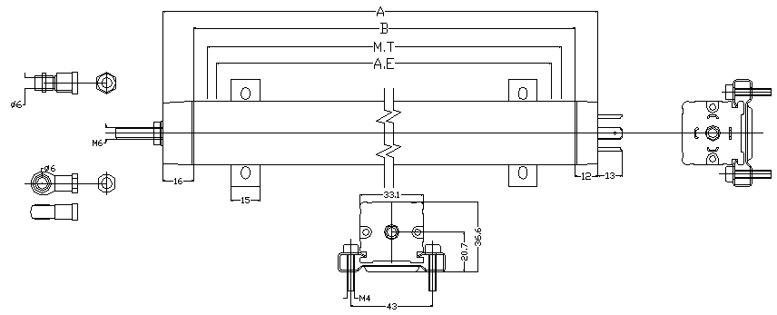
附1:LWH拉杆系列直线位移传感器安装尺寸图

电刷架结构均采用弹性补偿结构,运行稳定可靠,延长使用寿命。
LWH拉杆系列直线位移传感器产品特性:
1. 使用寿命长,运行次数可达50X10次
2. 线性优异
3. 分辨率高于0.01mm
4. 运行速度
5. DIN43650标准插头和插座
6. 防护等级IP65
7. 可配置电压电流(2线、3线)模块
附1:LWH拉杆系列直线位移传感器安装尺寸图







官方公众号
官方小程序