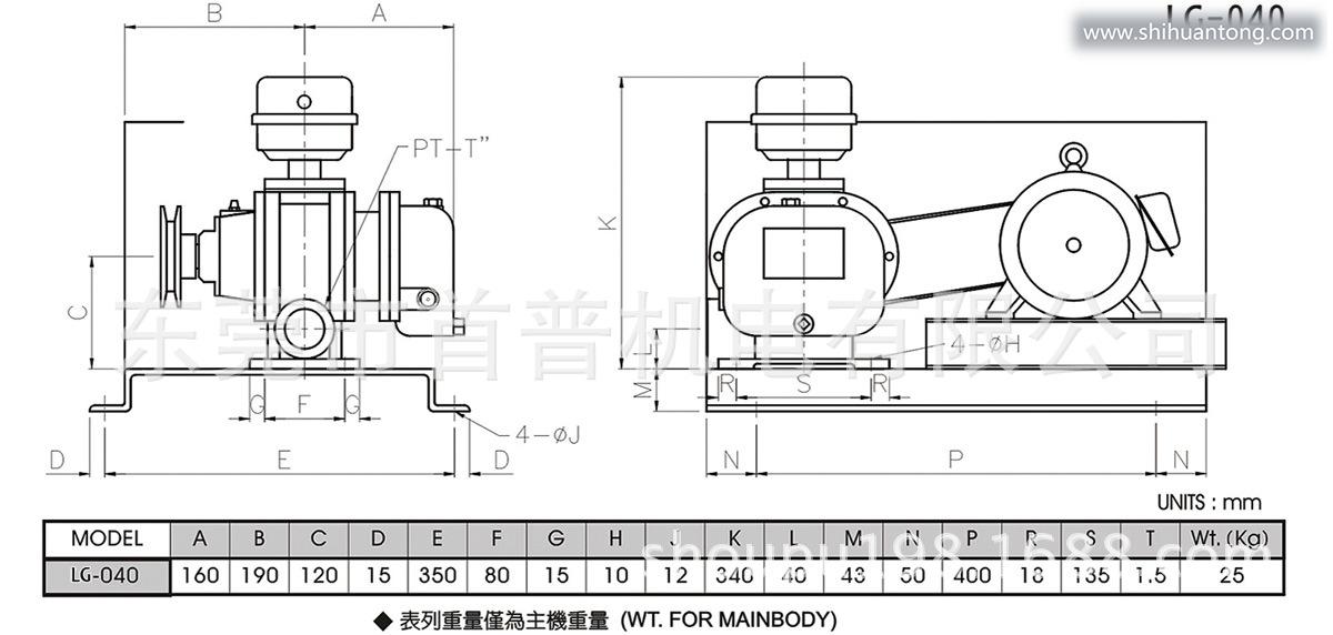
高品质低噪音 狮歌罗茨鼓风机LG-040
狮歌罗茨风机是三叶鼓风机系列中的一种新产品。首普实业以 CNC的加工技术,製造精确的转子,所以能提高性能、降低噪音计震动。高品质低噪音 狮歌罗茨鼓风机LG-040
江西艾斯欧匹精密智造科技有限公司隶属首普集团,公司以鼓风机、耐高温电机,位移传感器,压力传感器、各种自动化生产线,零部件的研发,生产,销售为一体的*。
我司拥有SOP,狮歌两个自主品牌,传感器和高温电机以SOP品牌在市场上赢得的广大客户的*好评,狮歌风机更是国内高压风机前三的,产品均通过CE认证和中国环保产品认证,公司秉承“shouxuan品质,普信天下”的理念,让客户*分享科技进步及的成就感与自豪感!竭诚为广大客户提供高品质的产品和服务!
专业生产销售高压风机、漩涡气泵,高温长轴电机,位移传感器,公司秉承“shouxuan品质,普信天下”的理念,坚持完善自我,为客户提供安全的产品及满意的服务,大限度地满足客户要求,迅速广泛地在市场上占有了一席之地。目前,产品远销新加坡、新西兰、印度、越南、缅甸、中东、欧美国家,遍布中国两岸三地;和国内许多企业建立了战略伙伴合作关系!是机械设备制造商的shouxuan供应商!
江西首普实业有限公司是集团的生产基地,占地60余亩,目标2020年前实现年产值3亿元,年纳税5000万元。
“同舟共济,水涨船高”是首普公司的企业精神和价值观, “首普人”十几年来的执着赢得了今日市场的良好口碑,真正让顾客“买的放心,用的舒心”,与顾客共同迈向新的辉煌!!!,选择首普,助你成功!
LG罗茨风机特长
·风量、压力、真空度范围。
·风量稳定、压力变化小。
·排除气体纯淨、不含油污。
·构造坚实简单、保养维护容易。
·轴承为机油润滑、散热佳、寿命长。













官方公众号
官方小程序