电子尺位移传感器
导语:
SOP艾斯欧匹是国内的位移传感器制造商品牌,专业从事位移传感器,拉绳位移传感器,直线位移传感器,磁悬浮位移传感器,压力传感器,LVDT位移传感器的研发与生产。 公司所经营的产品,广泛应用于注塑机械、压铸机、吹瓶机、铁路导轨监测、电梯、液压设备、桩机、立体车库、物流设备、油罐车、铁路槽车、石化油罐、测量系统等领域,在可靠性、稳定性、精度和环境适应性方面,赢得客户的广泛认可。 立足于"技术导向、专业生产"的理念,公司汇集了一批朝气蓬勃、富于创新意识的人才,以客户需求为导向,强化科研投入,不断塑造企业的核心竞争力,力求为客户和相关行业提供高品质的产品和解决方案。
产品介绍:电子尺位移传感器
通用KTC拉杆系列直线位移传感器用于对位移或者长度进行精确测量。测量行程75mm~1250mm,两端均有4mm返冲行程,线性精度0.15%~0.04%FS,重复精度0.01mm。传感器的结构设计保证安装方便,牢固可靠。外壳进行了阳极处理,外观靓丽,抗腐蚀,内置导电塑料测量单元,无温漂,寿命长,保证运行顺滑。密封防护等级IP65,DIN43650镀银插座,适用范围广信号传输更稳定,拉杆球具有0.5mm自动对中的功能,输出稳定,*性好。允许极限运动为10m/s。产品采用国外进口的线性修刻系统,电阻修刻技术不仅可以满足您的线性度要求,而且可以根据客户的要求修刻电阻值的大小。
电刷架结构均采用弹性补偿结构,运行稳定可靠,延长使用寿命。
KTC拉杆系列直线传感器特性:
1.使用寿命长,运行次数可达50X106次
2.线性优异
3.分辨率高于0.01mm
4.高运行速度
5.DIN43650标准插头和插座
6.防护等级IP65
7.可配置电压电流(2线、3线)模块
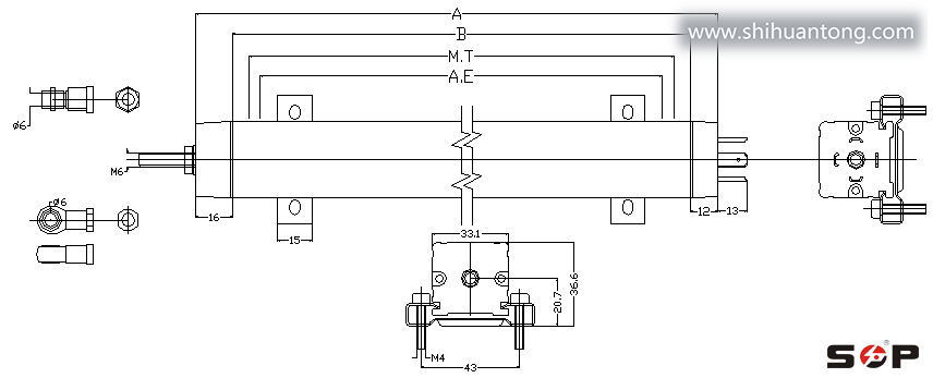
KTC拉杆系列直线传感器安装尺寸图

KTC拉杆系列直线传感器参数







官方公众号
官方小程序