100mm位移传感器
位移传感器应用的行业越来越广,使用的环境也是各种各样,SOP位移传感器有些系列可以适用于潮湿、油污、灰尘等各种恶劣环境,但是有好些客户问咱们的位移传感器防水吗?SOP位移传感器密封等级都是IP65的,需要防水的话,得另外加个防护罩就可以了。加个防护罩即增加了客户产品成本又使得使用操作不是很方便。
为了响应广大客户的需求,技术在努力改进传感器的局限性,更大可能性的适应各种使用环境。在近一个月,生产车间对每个系列的产品进行防水测试,目前从已测试的传感器中看出传感器静止在水中,水完全不会渗透到里面。那么需要进一步需要研究改进的是如何使传感器在运行中水不会附在拉杆上。所以在未来一段时间内,技术将提高位移传感器的防水功能,满足客户的更多需求。
SOP专注机械供应精准测量,请您静候佳音!
通用KTC拉杆系列直线位移传感器用于对位移或者长度进行精确测量。测量行程75mm~1250mm,两端均有4mm返冲行程,线性精度0.15%~0.04%FS,重复精度0.01mm。传感器的结构设计保证安装方便,牢固可靠。外壳进行了阳极处理,外观靓丽,抗腐蚀,内置导电塑料测量单元,无温漂,寿命长,保证运行顺滑。密封防护等级IP65,DIN43650镀银插座,适用范围广信号传输更稳定,拉杆球具有0.5mm自动对中的功能,输出稳定,*性好。允许极限运动为10m/s。产品采用国外进口的线性修刻系统,电阻修刻技术不仅可以满足您的线性度要求,而且可以根据客户的要求修刻电阻值的大小。100mm位移传感器
电刷架结构均采用弹性补偿结构,运行稳定可靠,延长使用寿命。
KTC拉杆系列直线传感器特性:
1.使用寿命长,运行次数可达50X106次
2.线性优异
3.分辨率高于0.01mm
4.高运行速度
5.DIN43650标准插头和插座
6.防护等级IP65
7.可配置电压电流(2线、3线)模块
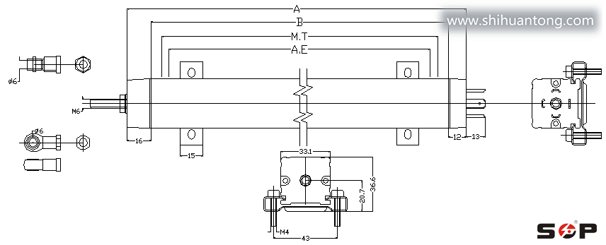
KTC拉杆系列直线传感器安装尺寸图

KTC拉杆系列直线传感器参数







官方公众号
官方小程序