
SOP供应大厦自动门KTR自恢复位移传感器
通用KTR微型自恢复系列直线位移传感器,有效行程5mm~100mm,两端均有2mm缓冲行程,、精度1%~0.15%FS。外壳表面阳极处理,防腐蚀;内置导电塑料测量单元,无温漂,寿命长;具有自动电气接地功能。密封等级为IP67,有直接出线和五芯插头插座输出两种选择,可以适用在大多数通用场合,特别适用于安装空间狭小的场合;顶推杆无需安装,无需对中,顶推角90±3°,允许顶推极限运动速度为3m/s.
KTR自恢复系列位移传感器特性:
1.体积小巧
2.使用寿命长,运行次数高达5千万次
3.传感器带复位弹簧
4.适用于各种恶劣环境(潮湿、油污、灰尘)
5.防护等级IP67
6.DIN标准触点
7.双轴承连动杆
8.不受外界冲击和振动影响
9.电缆方式连接
10.可配置电压电流(2线、3线)模块
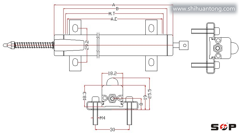
KTR自恢复系列位移传感器安装尺寸图

KTR自恢复系列位移传感器参数
SOP供应大厦自动门KTR自恢复位移传感器防止短路
位移传感器电子尺工作过程中,有规律的在某一点显示数据跳动或不显示数据,这种情况就要检查连接线绝缘是否有破损并与机器的金属外壳有规律的接触引发的对地短路。7、避免老化
对于使用时间很久的电子尺,密封老化,可能有很多杂质,并有油、水混合物,影响电刷的接触电阻,导致显示数字跳动,可以认为是位移传感器电子尺本身的早期损坏。
直线位移传感器的功能在于把直线机械位移量转换成电信号。为了达到这一效果,通常将可变电阻滑轨定置在传感器的固定部位,通过滑片在滑轨上的位移来测量不同的阻值。
传感器滑轨连接稳态直流电压,允许流过微安培的小电流,滑片和始端之间的电压,与滑片移动的长度成正比。将传感器用作分压器可大限度降低对滑轨总阻值精确性的要求,因为由温度变化引起的阻值变化不会影响到测量结果。






官方公众号
官方小程序