SOP注塑机的顶针位移控制 KTM位移传感器
SOP注塑机的顶针位移控制 KTM位移传感器通用KTM微型拉杆式直线位移传感器系列,有效行程10mm~300mm,两端均有2mm缓冲行程,精度0.3%~0.05%FS。外壳表面阳极处理,防腐蚀;内置导电塑料测量单元,无温漂,寿命长;具有自动电气接地功能。密封等级为IP67,有直接出线和五芯插头插座输出两种选择,可以适用在大多数通用场合,特别适用于安装空间狭小的场合;拉杆球头具有0.5mm自动对中的功能,允许极限运动速度可达到5m/s。
KTM微型拉杆式电子尺特性:
1.体积小巧
2.线性优异
3.分辨率高于0.01mm
4.高运行速度
5.防护等级IP67
6.可配置电压电流(2线、3线)模块
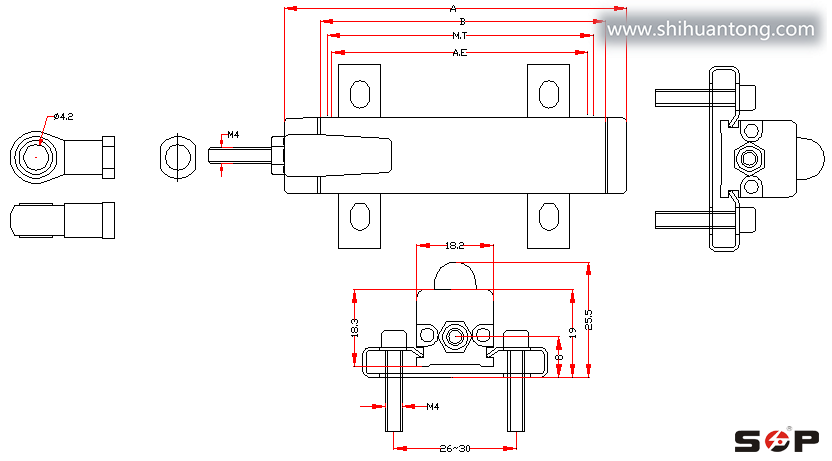
KTM微型拉杆式电子尺安装尺寸图

| KTM微型拉杆式电子尺参数表 |


2.防止静电干扰
静电干扰和调频干扰很容易使电子尺显示数字跳动。设备的强电线路与电子尺的信号线分开线槽。电子尺应使用强制接地支架,且使电子尺外壳(可测量端盖螺丝与支架之间的电阻,应小于1W电阻)良好接地,信号线使用屏蔽线,且在电箱的一端应予将屏蔽线接地。静电干扰时,一般万用表的电压测量非常正常,但就是显示数字跳动;高频器干扰时其现象也一样。验证是不是静电干扰,用一段电源线将电子尺的封盖螺丝与机器上某一点金属短接即可,只要一短接,静电干扰立即消除。但高频干扰就难以用上述办法消除,而且机器手、变频器多出现高频干扰,可以用停止机械手或变频节电器的办法验证。3、不能接错电子尺的三条线
“1”、“3”线是电源线,“2”是输出线,除电源线(“1”、“3”线)可以调换外,“2”线只能是输出线。上述线一旦接错,将出现线性误差大,出现控制非常困难,控制精度差,容易显示跳动,通电时是会烧毁传感器。
4、供电电源要有足够的容量
如果电源容量太小,容易发生如下情况:合模运动会导致射胶电子尺显示跳动,或熔胶运动会导致合模电子尺的显示波动。特别是电磁阀驱动电源于电子尺供电电源在一起时容易出现上述情况,严重时可以用万用表的电压档测量到电压的波动。如果在排除了静电干扰、高频干扰,对中性不好的情况下仍不能解决问题,也可以怀疑是电源的功率偏小。
5、安装对中性要好
角度容许±12°误差,平行度容许±0.5mm,如果角度误差和平行度误差都偏大,就会导致显示数字跳动。在这种情况下,一定要对角度和平行度的调整。
1、供电电压要稳定
工业电源要求±0.1%的稳定性,比如基准电压10V,允许有±0.01V的波动,否则,会导致显示的圈套波动。如果这时的显示波动幅度不超过波动电压的波动幅度,位移传感器电子尺就属于正常。






官方公众号
官方小程序