KTF滑块导电直线位移传感器

直线位移传感器安装注意事项
静电干扰和调频干扰很容易使电子尺显示数字跳动。设备的强电线路与电子尺的信号线分开线槽。电子尺应使用强制接地支架,且使电子尺外壳(可测量端盖螺丝与支架之间的电阻,应小于1W电阻)良好接地,信号线使用屏蔽线,且在电箱的一端应予将屏蔽线接地。静电干扰时,一般万用表的电压测量非常正常,但就是显示数字跳动;高频器干扰时其现象也一样。验证是不是静电干扰,用一段电源线将电子尺的封盖螺丝与机器上某一点金属短接即可,只要一短接,静电干扰立即消除。但高频干扰就难以用上述办法消除,而且机器手、变频器多出现高频干扰,可以用停止机械手或变频节电器的办法验证。3、不能接错电子尺的三条线
“1”、“3”线是电源线,“2”是输出线,除电源线(“1”、“3”线)可以调换外,“2”线只能是输出线。上述线一旦接错,将出现线性误差大,出现控制非常困难,控制精度差,容易显示跳动,通电时是会烧毁传感器。
4、供电电源要有足够的容量
如果电源容量太小,容易发生如下情况:合模运动会导致射胶电子尺显示跳动,或熔胶运动会导致合模电子尺的显示波动。特别是电磁阀驱动电源于电子尺供电电源在一起时容易出现上述情况,严重时可以用万用表的电压档测量到电压的波动。如果在排除了静电干扰、高频干扰,对中性不好的情况下仍不能解决问题,也可以怀疑是电源的功率偏小。
5、安装对中性要好
角度容许±12°误差,平行度容许±0.5mm,如果角度误差和平行度误差都偏大,就会导致显示数字跳动。在这种情况下,一定要对角度和平行度的调整。
6、防止短路
位移传感器电子尺工作过程中,有规律的在某一点显示数据跳动或不显示数据,这种情况就要检查连接线绝缘是否有破损并与机器的金属外壳有规律的接触引发的对地短路。7、避免老化
对于使用时间很久的电子尺,密封老化,可能有很多杂质,并有油、水混合物,影响电刷的接触电阻,导致显示数字跳动,可以认为是位移传感器电子尺本身的早期损坏。
直线位移传感器的功能在于把直线机械位移量转换成电信号。为了达到这一效果,通常将可变电阻滑轨定置在传感器的固定部位,通过滑片在滑轨上的位移来测量不同的阻值。
传感器滑轨连接稳态直流电压,允许流过微安培的小电流,滑片和始端之间的电压,与滑片移动的长度成正比。将传感器用作分压器可大限度降低对滑轨总阻值精确性的要求,因为由温度变化引起的阻值变化不会影响到测量结果。
通用KTC拉杆系列直线位移传感器用于对位移或者长度进行精确测量。测量行程75mm~1250mm,两端均有4mm返冲行程,线性精度0.15%~0.04%FS,重复精度0.01mm。传感器的结构设计保证安装方便,牢固可靠。外壳进行了阳极处理,外观靓丽,抗腐蚀,内置导电塑料测量单元,无温漂,寿命长,保证运行顺滑。密封防护等级IP67,DIN43650镀银插座,适用范围广信号传输更稳定,拉杆球具有0.5mm自动对中的功能,输出稳定,*性好。允许极限运动为10m/s。产品采用国外进口的线性修刻系统,电阻修刻技术不仅可以满足您的线性度要求,而且可以根据客户的要求修刻电阻值的大小。
电刷架结构均采用弹性补偿结构,运行稳定可靠,延长使用寿命。
KTC拉杆系列直线传感器特性:
1.使用寿命长,运行次数可达50X106次
2.线性优异
3.分辨率高于0.01mm
4.高运行速度
5.DIN43650标准插头和插座
6.防护等级IP65
7.可配置电压电流(2线、3线)模块
KTF滑块导电直线位移传感器行业应用
KTC是一般通用型,适合各类型设备的位置检测。如:注塑机、压铸机,橡胶机、鞋机、EVA注射机、木工机械、液压机械等。
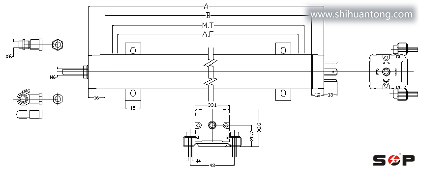
KTC拉杆系列直线传感器安装尺寸图

KTC拉杆系列直线传感器参数







官方公众号
官方小程序