注塑机电子尺传感器

通用KTC拉杆系列直线位移传感器用于对位移或者长度进行精确测量。测量行程75mm~1250mm,两端均有4mm返冲行程,线性精度0.15%~0.04%FS,重复精度0.01mm。传感器的结构设计保证安装方便,牢固可靠。外壳进行了阳极处理,外观靓丽,抗腐蚀,内置导电塑料测量单元,无温漂,寿命长,保证运行顺滑。密封防护等级IP67,DIN43650镀银插座,适用范围广信号传输更稳定,拉杆球具有0.5mm自动对中的功能,输出稳定,*性好。允许极限运动为10m/s。产品采用国外进口的线性修刻系统,电阻修刻技术不仅可以满足您的线性度要求,而且可以根据客户的要求修刻电阻值的大小。
电刷架结构均采用弹性补偿结构,运行稳定可靠,延长使用寿命。
KTC拉杆系列直线传感器特性:
1.使用寿命长,运行次数可达50X106次
2.线性优异
3.分辨率高于0.01mm
4.高运行速度
5.DIN43650标准插头和插座
6.防护等级IP65
7.可配置电压电流(2线、3线)模块
注塑机电子尺传感器行业应用
KTC是一般通用型,适合各类型设备的位置检测。如:注塑机、压铸机,橡胶机、鞋机、EVA注射机、木工机械、液压机械等。
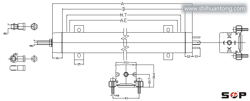
KTC拉杆系列直线传感器安装尺寸图

KTC拉杆系列直线传感器参数







官方公众号
官方小程序