KTR微型自恢复直线位移传感器 小行程电子
通用KTR微型自恢复系列直线位移传感器,有效行程5mm~100mm,两端均有2mm缓冲行程,、精度1%~0.15%FS。外壳表面阳极处理,防腐蚀;内置导电塑料测量单元,无温漂,寿命长;具有自动电气接地功能。密封等级为IP67,有直接出线和五芯插头插座输出两种选择,可以适用在大多数通用场合,特别适用于安装空间狭小的场合;顶推杆无需安装,无需对中,顶推角90±3°,允许顶推极限运动速度为3m/s.
KTR自恢复系列位移传感器特性:
1.体积小巧
2.使用寿命长,运行次数高达5千万次
3.传感器带复位弹簧
4.适用于各种恶劣环境(潮湿、油污、灰尘)
5.防护等级IP67
6.DIN标准触点
7.双轴承连动杆
8.不受外界冲击和振动影响
9.电缆方式连接
10.可配置电压电流(2线、3线)模块
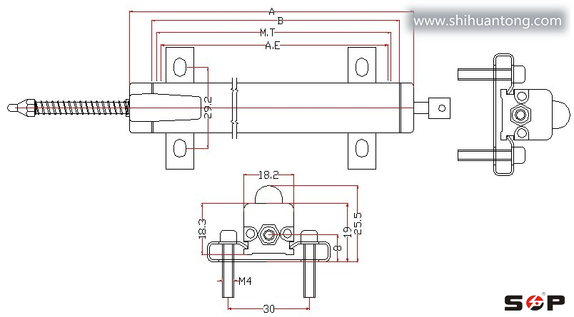
KTR自恢复系列位移传感器安装尺寸图

KTR自恢复系列位移传感器参数

KTR微型自恢复直线位移传感器 小行程电子
温馨提示
为了保障您的购物权益,给您提供优质的服务。签收时需当物流人员拆包验货。如有发现产品存在破损,少件的情况。请您不要签收。并及时咨询我们。我们会帮您妥善安排解决。如无验货签收,本店不与承担任何破损,少件等理由退货。为了避免您的损失,务必先验货确认产品完好再签收。另本店大件类产品,均不含运费。默认发物流运费到付。需要自提货。请悉知。具体运费请咨询咨询在线客服!
01
产品保修期内,本店提供免费维修。保修期满后,维修只收取配件的成本费用。易损件,消耗品和人为的故障不在保About after sales 修范围内。出现故障后,请及时咨询我
们。我们将为您妥善处理解决。
02
物流说明:本店小件物品,默认发快递。因全国各地运费有差异,需要根据客户所在地区不同来咨询。页面价格默认包邮,有物流的请咨询客服,未发我们固定合作的快递。报价不含增值税,含税需加13个点。






官方公众号
官方小程序