高压风机厂家供应狮歌品牌2LG9207HH47 25KW大流量大风压鼓风机
高压风机应用于塑胶机械,印刷机械,塑料机械,灌装机械,包装机械,中央供料系统,切割系统,PCB设备,电镀生产线,照相制版,电器设备,医疗设备,各式燃烧机,锅保养殖业等等。
狮歌2LG9207HH47详细参数:
型号 | 频率 HZ | 额定 功率 KW | 输出电压 V | 额定 电流 A | *大排吸 气量m3/h | 额定吸 入压力mbar | 额定排 气压力mbar | 噪音 dB(A) | 重量 kg |
2LG920-7HH47 | 50 | 25 | 345-415△ 600-720Y | 52/30 | 1110 | -450 | 590 | 78 | 211 |
60 | 29 | 345-415△ 600-720Y | 52/30 | 1310 | -450 | 540 | 84 |
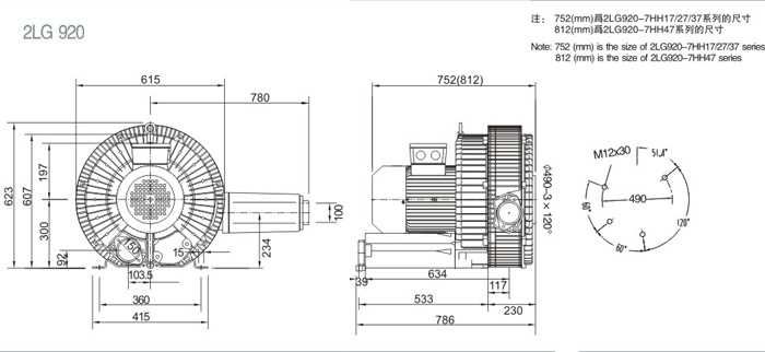
25KW双段高压风机尺寸图:






高压风机产品质量保修一年,欢迎大家来电资询狮歌高压风机各种规格价格。





官方公众号
官方小程序