供应灌装设备用高压风机 狮歌2LG8307AH27 7.5kw高压风机
灌装前:高压风机将需要灌装的容器内壁的水份吸走,同时容器内也形成相对的真空,便于灌装。
灌装后:贴标签瓶子的烘干.该机也由高压风机组成,需要安装在输瓶线上使用,瓶子先通过高压风机风力将水珠吹走,且烘干,同步进行,提高效率。无需装风量加热器设备。
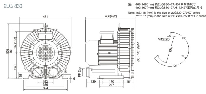
狮歌风机2LG830-7AH07详细参数:
型号 | 频率 HZ | 额定 功率 KW | 输出电压 V | 额定电流 A | *大排吸 气量m3/h | 额定吸 入压力mbar | 额定排 气压力mbar | 噪音 dB(A) | 重量 kg |
2LG830-7AH27 | 50 | 7.5 | 345-415△ 600-720Y | 16.7/9.6 | 700 | -270 | 260 | 70 | 69 |
60 | 8.6 | 380-480△ 660-720Y | 17.3/10 | 840 | -270 | 260 | 74 |
4kw高压风机尺寸图:











官方公众号
官方小程序