厂家供应山东高压风机400W单相单段高压风机 型号狮歌2LG2307AA11
高压风机是由首普国际机电有限公司是专业销售,通过SGS的认证和CE认证,质量和安全有保障。价格有优势,交货快。
狮歌风机2LG230-7AA11高压风机参数
型号 | 频率 HZ | 额定 功率 KW | 输出电压 V | 额定电流 A | *大排吸 气量m3/h | 额定吸 入压力mbar | 额定排 气压力mbar | 噪音 dB(A) | 重量 kg |
2LG230-7AA11 | 50 | 0.4 | 230 | 2.7 | 100 | -110 | 110 | 54 | 11 |
60 | 0.5 | 230 | 3 | 120 | -130 | 140 | 57 |
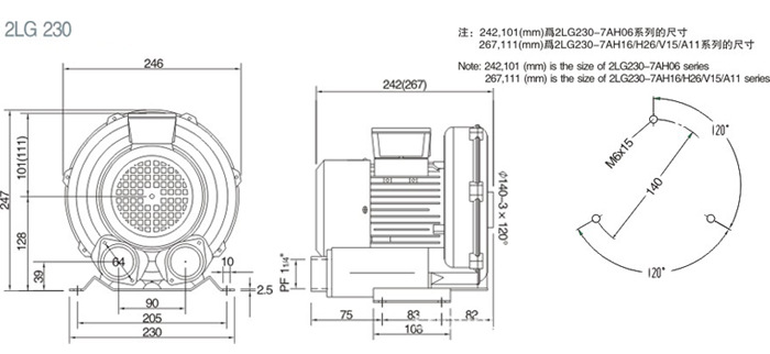
2LG230高压风机尺寸






高压风机应用于塑胶机械,印刷机械,塑料机械,灌装机械,包装机械,中央供料系统,切割系统,PCB设备,电镀生产线,照相制版,电器设备,医疗设备,各式燃烧机,水产养殖业等等。
产品质量保修一年,欢迎大家来电资询高压风机各种规格价格。






官方公众号
官方小程序