温馨提示:
因工业品行业的特殊性,本店铺所有产品价格均为参考价,不作为最终销售单价,因此,下单前请咨询店内客服人员确定具体详细参数、型号、价格、货期。
未经咨询或联系本店客服确认的订单,均视为无效订单,本店一律不发货,请广大客户知悉,如有疑问请咨询店内客服人员。
3KW高压鼓风机特点:
1外形美观(铝合金外壳)2压力高3噪音低4无油无污染5环保节能6体积小重量轻易于安装7无震动良好稳定的动态平衡8可连续运转使用寿命长9风冷冷却10易维护11国家专利技术--双侧轴承平衡结构设计。
安装方式:任意安装方式
狮歌鼓风机2LG710-7AH26,3KW高压鼓风机产品描述:
高压风机是由首普国际机电有限公司是专业销售,通过SGS的认证和CE认证,质量和安全有保障。价格有优势,交货快。
高压风机应用于塑胶机械,印刷机械,塑料机械,灌装机械,包装机械,中央供料系统,切割系统,PCB设备,电镀生产线,照相制版,电器设备,医疗设备,各式燃烧机,水产养殖业等等。
产品质量保修一年,欢迎大家来电资询高压风机各种规格价格。
狮歌2LG710-7AH26,3KW高压风机详细参数:
型号 | 频率 HZ | 额定 功率 KW | 输出电压 V | 额定电流 A | *大排吸 气量m3/h | 额定吸 入压力mbar | 额定排 气压力mbar | 噪音 dB(A) | 重量 kg | |
2LG710-7AH26 | 50 | 3 | 200-240△ 345-415Y | 12.5/7.2 | 318 | -270 | 290 | 69 | 36 | |
60 | 3.45 | 220-275△ 380-480Y | 12.6/7.3 | 376 | -250 | 230 | 72 | |||
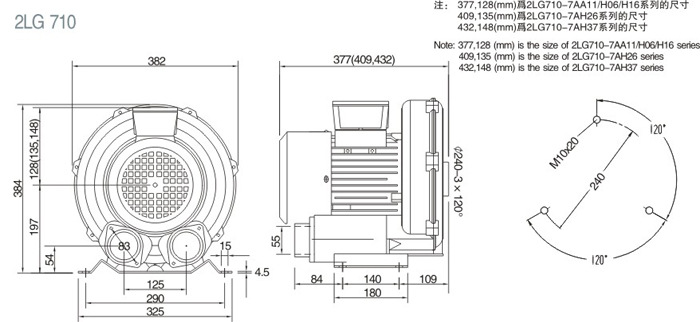
狮歌鼓风机2LG710-7AH26,3KW高压鼓风机尺寸图:

2LG710-7AH37三相曲线图:











官方公众号
官方小程序